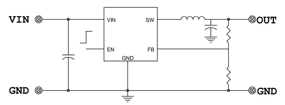
NDP2345KC is a high efficiency, monolithic synchronous step-down DC/DC converter utilizing a constant frequency, average current mode control architecture. Capable of delivering up to 4.5A continuous load with excellent line and load regulation. The device operates from an input voltage range of 5.5V to 30V and provides an adjustable output voltage from 1V to 25V. The NDP2345KC features short circuit and thermal protection circuits to increase system reliability. The internal soft-start avoids input inrush current during startup.
The NDP2345KC require a minimum number of external components. and a wide array of protection features to enhance reliability.

※Wide VIN Range : 5.5V to 30V
※4.5A Continuous Output Current
※Up to 94% Efficiency
※100% Max Duty Cycle
※Adjustable Output Voltages
※+/-2% Output Voltage Accuracy
※Integrated 55mΩ High Side Switch
※Integrated 27mΩ Low Side Switch
※300KHz Frequency
※Burst Mode Operation at Light Load
※Internal loop Compensation
※Internal Soft Start
※Available in SOP8 Package
※Rechargeable Portable Devices
※Networking Systems
※Distributed Power Systems